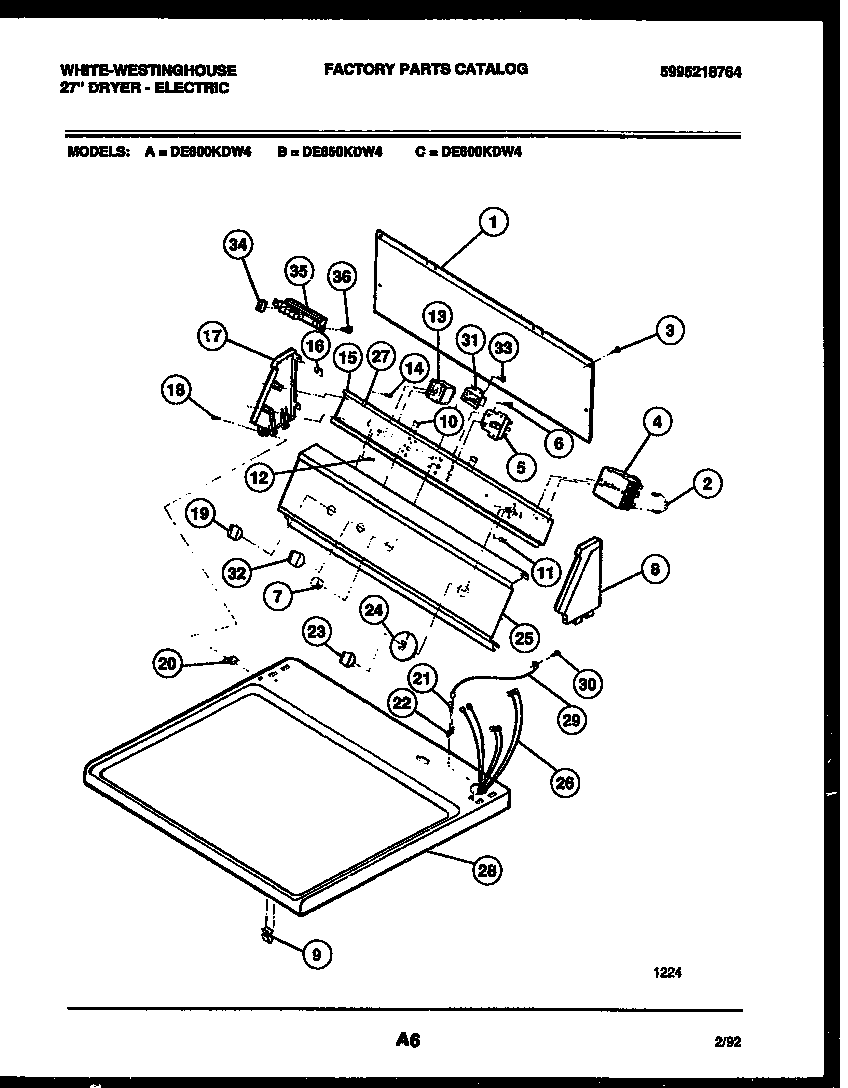
DE800KDW4 04 – CONSOLE AND CONTROL PARTSadmin2025-04-26T08:53:13+00:00DE800KDW4 04 – CONSOLE AND CONTROL PARTS ProductsPositionProduct1BACK COVER2RESISTOR3SCREW4WCI 53032841065SWITCH - START6WCI 080015447WCI 32012218WCI 320584093205821 Frigidaire Clip10PAD (2)11218359202 Frigidaire Refrigerator Screw12WCI 328110114SCREW (2)15BRACKET-MTG16CLIP (8)17WCI 320584218SCREW (2)20WCI 328119221131243800 Frigidaire Screw22WCI 537917100023KNOB-TIMER24WCI 0801543425WCI 320602826WCI 530327086626A5303303590 Frigidaire Dryer 4.0" Cable Tie27WCI 328120028PANEL-TOP-WHITE29WCI 320130830SCREW (2)31WCI 530015291432WCI 530063372234WCI Q00014899635SWITCH-P.B.36SCREW (2)