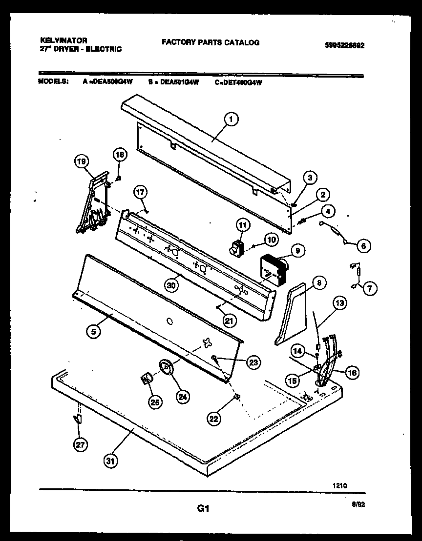
DEA501G4D 04 – CONSOLE AND CONTROL PARTSadmin2025-04-26T09:58:48+00:00DEA501G4D 04 – CONSOLE AND CONTROL PARTS ProductsPositionProduct1WCI 32016092WCI 32013493WCI 530801082545303015671 Frigidaire Bracket Termination Screw5PANEL - CONTROL6RESISTOR7RESISTOR, 3.0K9WCI 32016149DRYER TIMER10WCI 0802080411SWITCH - PUSH TO START13WCI 320138513AWCI 530321282714131243800 Frigidaire Screw15WCI 537917100016BCLIP (2)16WCI 13100700016A5303303590 Frigidaire Dryer 4.0" Cable Tie17131205100 Frigidaire Screw18WCI 530321092319WCI 320600721SCREW (2)22CLIP23WCI 320582024WCI 530801570225KNOB TIMER273205821 Frigidaire Clip30WCI 320582231PANEL TOP-ALMOND