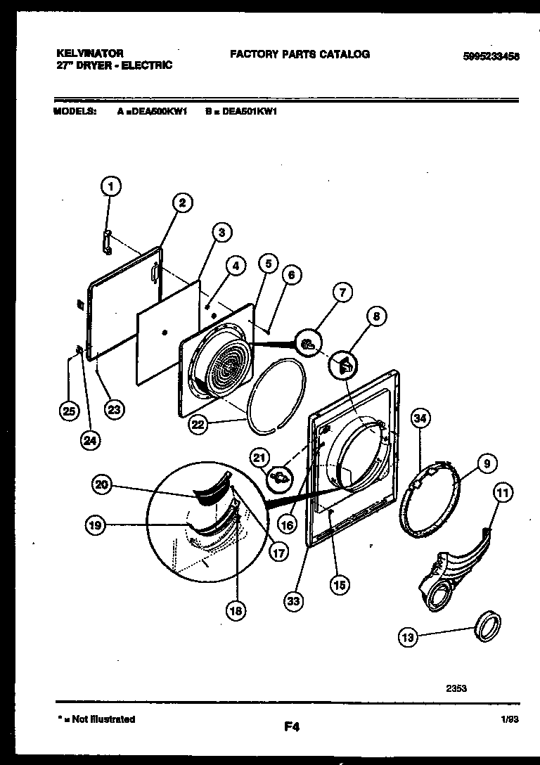
DEA501KD1 03 – DOOR PARTSadmin2025-04-26T09:57:57+00:00DEA501KD1 03 – DOOR PARTS ProductsPositionProduct1WCI 53032888392PANEL-O.D. ALMD3SHIELD, HEAT4WCI 32012055PANEL-I.D. ALMD6WCI 530328105175303207102 Frigidaire Door Strike8131658800 Frigidaire Dryer Door Catch Repair Kit9WCI 530328104911DUCT-AIR13134417000 Frigidaire Seal15CLIP GUIDE (4)16CLIP17131420300 Frigidaire Screw18CLIP20WCI 530328105921SWITCH-DOOR22GASKET, DOOR24HINGE, DOOR (2)25SCREW (8)33PANEL, FRONT, ALMOND345303937139 Frigidaire Dryer Felt Seal and Glide Kit Drum