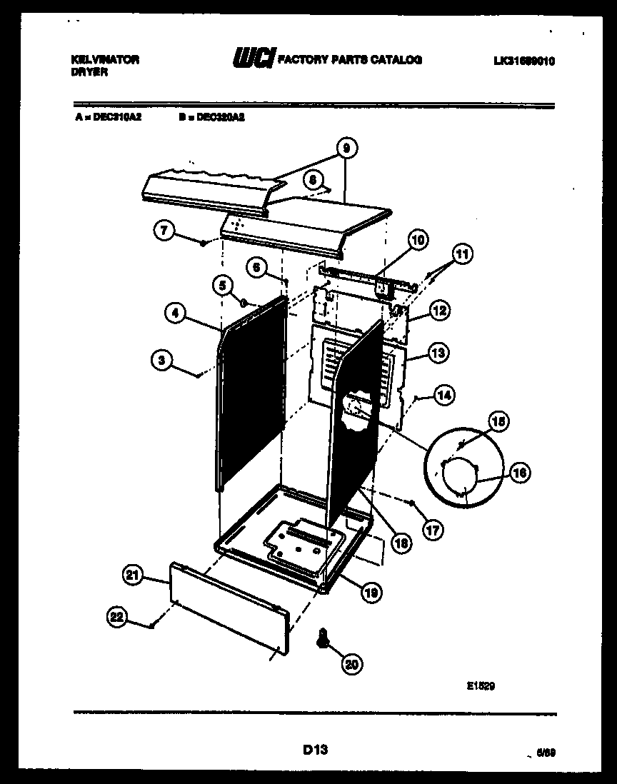
DEC310A2W 03 – CABINET PARTSadmin2025-04-26T09:57:14+00:00DEC310A2W 03 – CABINET PARTS ProductsPositionProduct4AWCI F138738-0004WCI F140419-0329WCI F140428-43210WCI F138840-02612WCI F078782-42813WCI F141073-528155303015671 Frigidaire Bracket Termination Screw16WCI F139218-20017131205500 Frigidaire Screw18WCI F140418-03219WCI F140397-02620WCI F137033-00021WCI F078173-03222WCI F130139-000