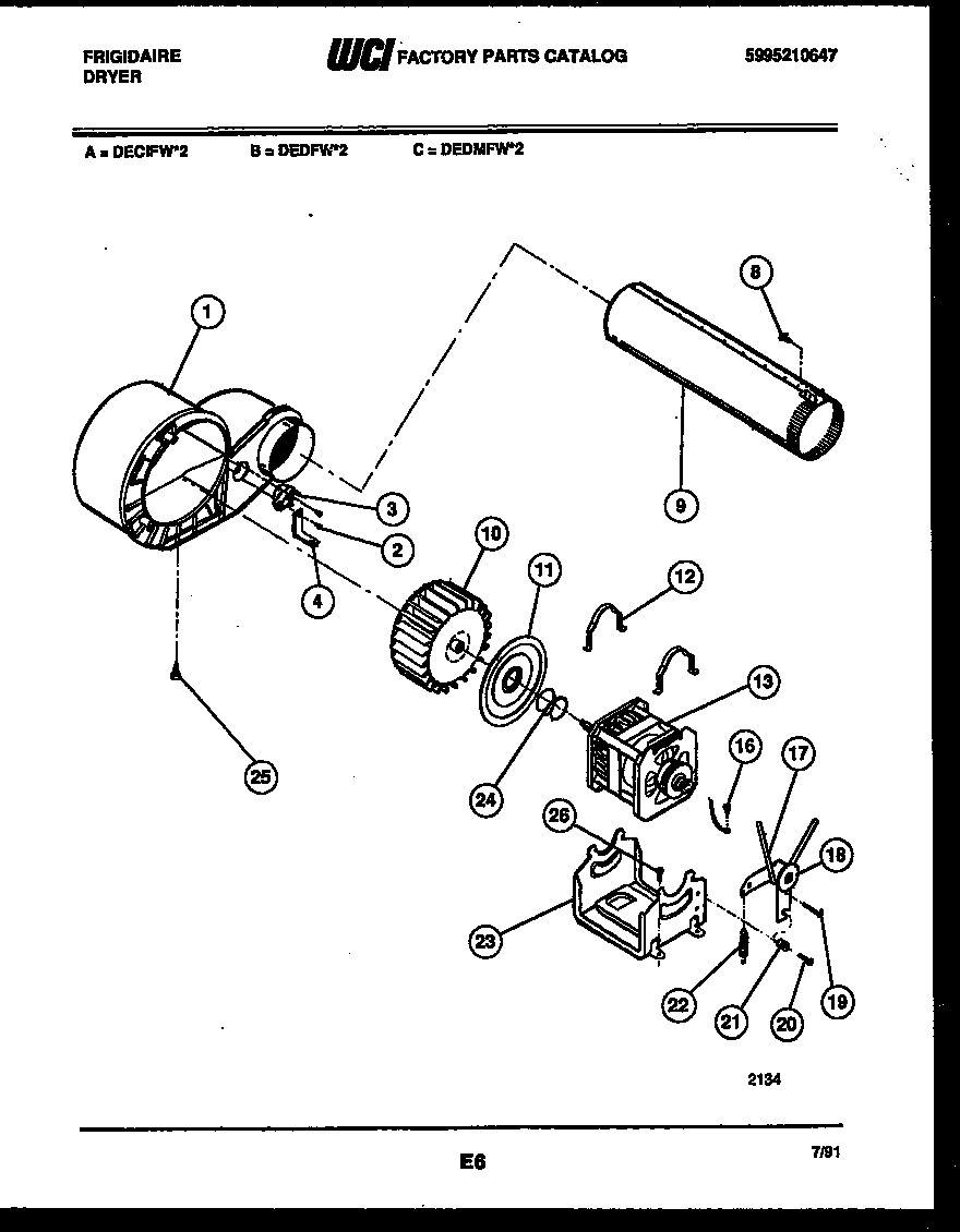
DEDFL2 05 – BLOWER AND DRIVE PARTSadmin2025-04-26T09:58:44+00:00DEDFL2 05 – BLOWER AND DRIVE PARTS ProductsPositionProduct1WCI 53032708582SCREW3131298300 Frigidaire Thermostat Control4WCI 530326997285303015671 Frigidaire Bracket Termination Screw9WCI 530326997310WCI 530328107911WCI 530328108012WCI 530321283413WCI 530320123716SCREW (2)175303281154 Frigidaire Dryer Belt (Flat Style)18WCI 530321284919SCREW-STOP20WCI 328107321WCI 5303281076225303281085 Frigidaire Spring Idler24WCI 530328108325WCI 328103626WCI 3281077