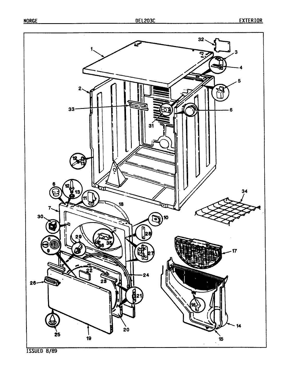
DEL203WC 06 – EXTERIOR (REV. A-D)admin2025-04-26T09:37:11+00:00DEL203WC 06 – EXTERIOR (REV. A-D) ProductsPositionProduct1MAY 53-03141MAY 53-17112MAY 53-16442MAY 53-01603MAY 63-57124WP90767 Whirlpool Screw4MAY 33-09305MAY 25-30346MAY 33-26537MAY 53-072610MAY 25-781710WP489478 Whirlpool Refrigerator Screw11WP25-7220 Whirlpool Cabinet Clip12MAY 63-614813MAY 25-022413MAY 53-020014MAY 53-129914MAY 53-091715MAY 53-020416MAY 53-012317WP53-0918 Whirlpool Lint Filter18MAY 53-028219MAY 53-015420MAY 53-074021MAY 53-011922MAY 53-025123MAY 53-025224MAY 53-011224MAY 25-777025MAY 25-353426MAY 25-781026MAY 53-092827MAY 53-012227W10756178 Whirlpool Screw28MAY 53-012129MAY 73-003330LA-1003 Whirlpool Dryer Door Catch and Metal Strike31MAY 53-013531WP489483 Whirlpool Screw32MAY 25-785732MAY 53-028433MAY 53-013333MAY 25-345734MAY LA-100534NOT REQUIRED PART OR SEE NOTE FUSE (NOT REQUIRED)35MAY 53-014836MAY 63-5990