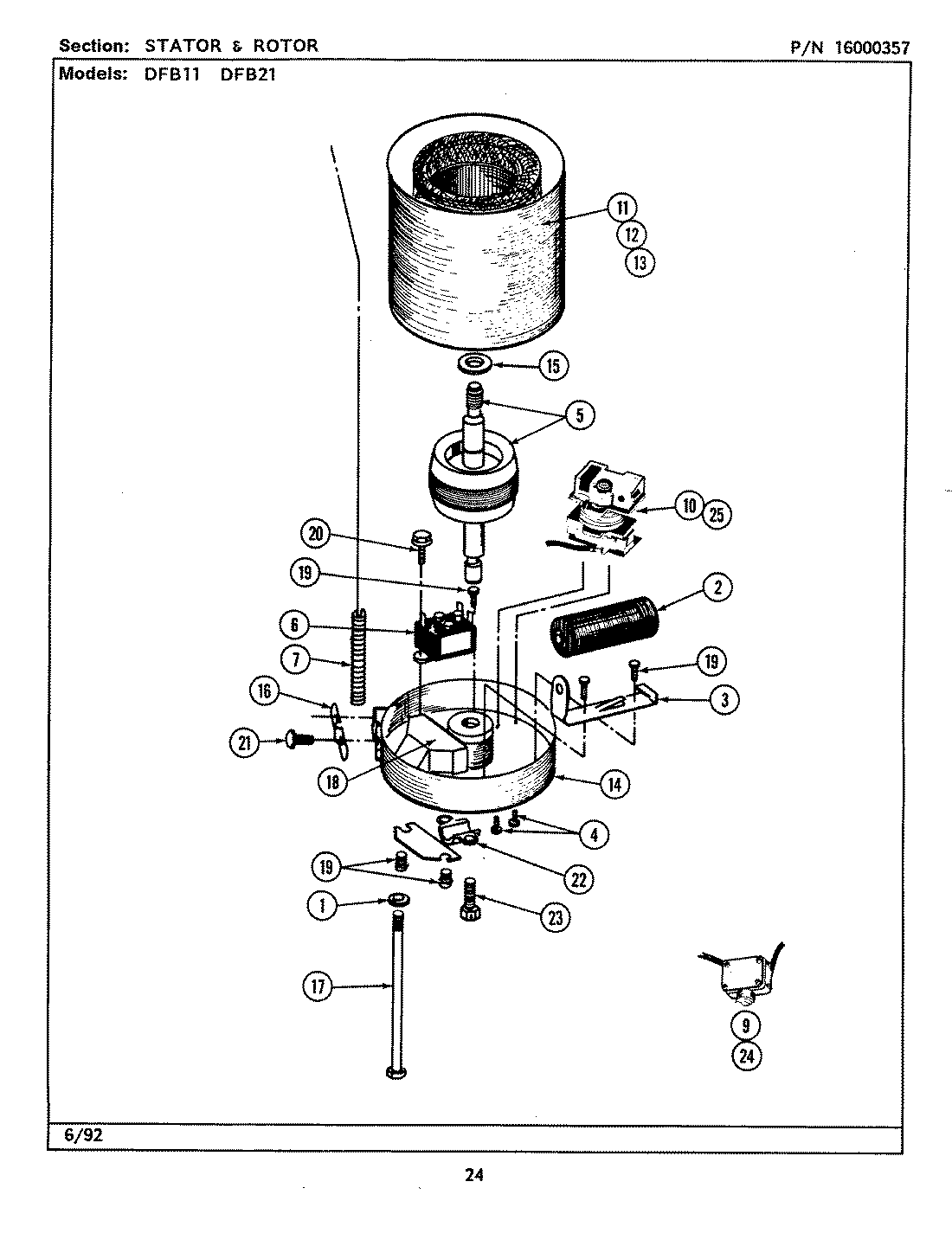
DFC2100ABX 07 – STATOR & ROTORadmin2025-04-26T09:33:13+00:00DFC2100ABX 07 – STATOR & ROTOR ProductsPositionProduct1MAY 8001993MAY 8002324MAY 8100045MAY 8000086MAY 8101447MAY 8002368MAY 8101459MAY 80005910MAY 05485311MAY 81002212MAY 81022513MAY 81020414MAY 31084415MAY Y80015716MAY 81027217MAY 21114918MAY Y20083219MAY 800159