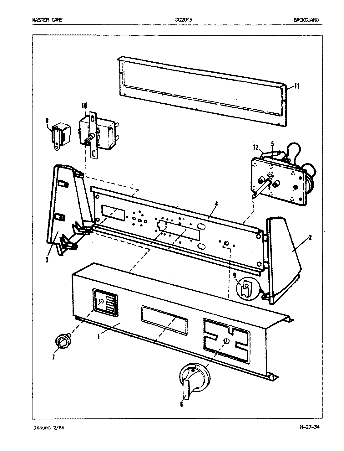
DG20F5HW 01 – CONTROL PANEL (REV. A-H)admin2025-04-26T09:32:48+00:00DG20F5HW 01 – CONTROL PANEL (REV. A-H) ProductsPositionProduct1MAY 25-77931MAY 53-10161MAY 53-08252MAY 53-02653MAY 53-02373MAY 25-77603MAY 53-02643MAY 53-02364MAY 53-03655MAY 53-06565MAY 53-05455MAY 25-00885MAY 63-67526MAY 53-04706MAY 25-60446MAY 53-06546MAY 53-06537MAY 35-01687MAY 35-02818MAY 63-67319MAY 25-770210MAY 53-039411MAY 25-769711MAY 25-785111MAY 25-785211MAY 25-345711MAY 34-948711MAY 53-026811WP90767 Whirlpool Screw11MAY 25-7435