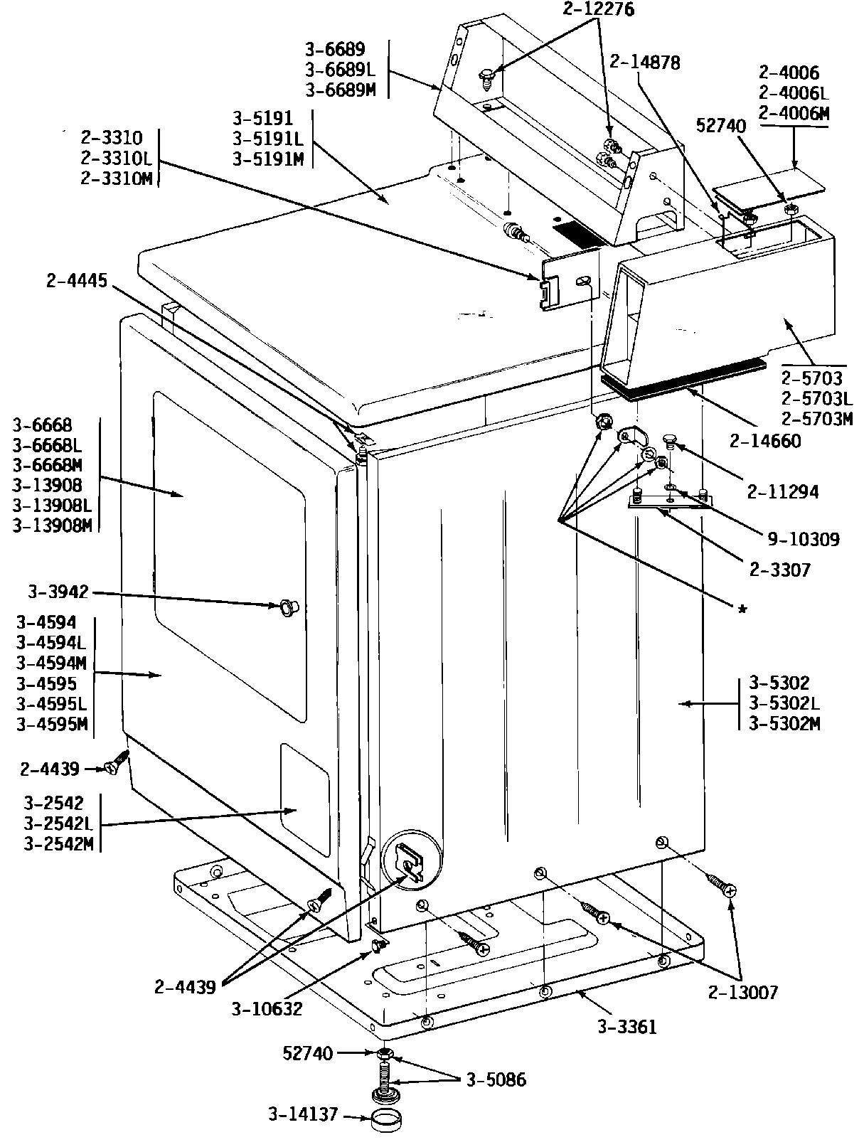
DG24CT 04 – FRONT VIEW