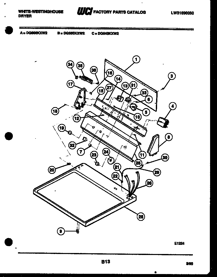
DG650KXD2 04 – CONSOLE AND CONTROL PARTSadmin2025-04-26T08:53:20+00:00DG650KXD2 04 – CONSOLE AND CONTROL PARTS ProductsPositionProduct1COVER-BACK3SCREW4WCI 32016585SWITCH - START6WCI 080015448WCI 320584093205821 Frigidaire Clip10PAD (2)11SCREW (2)12WCI 328110113SWITCH-SELECTOR145303015671 Frigidaire Bracket Termination Screw15WCI 320584116CLIP (8)17WCI 320584218SCREW (2)19WCI 530063372220WCI 328119221131243800 Frigidaire Screw22WCI 537917100023KNOB-TIMER24WCI 0801543425WCI 320602926WCI 320596426A5303303590 Frigidaire Dryer 4.0" Cable Tie27WCI 328120028PANEL-TOP ALMD29WIRE-GROUND30SCREW (2)