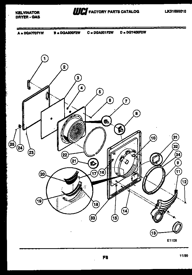
DGA500F2D 03 – DOOR PARTS