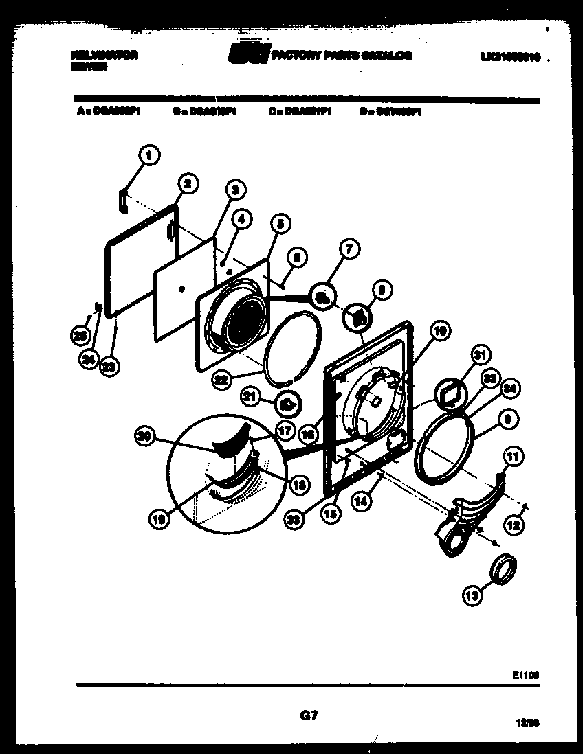
DGA501F1D 03 – DOOR PARTSadmin2025-04-26T08:50:56+00:00DGA501F1D 03 – DOOR PARTS ProductsPositionProduct1WCI 32810532PANEL-O.D. ALMD3HEAT SHIELD4SPACER (2)4WCI 32012055PANEL-I.D. ALMD6WCI 328105175303207102 Frigidaire Door Strike8131658800 Frigidaire Dryer Door Catch Repair Kit9SEAL105303937139 Frigidaire Dryer Felt Seal and Glide Kit Drum11WCI 0801517312WCI 328108913134417000 Frigidaire Seal145300809968 Frigidaire Dishwasher P-1 Washer15CLIP-GUIDE (4)16CLIP (4)17131420300 Frigidaire Screw18CLIP (2)19WCI 328106020TRAP-LINT21WCI 328104422WCI 320121024DOOR HINGE (2)25SCREW (8)31DOOR-ACCESS ALMD325303300265 Frigidaire Oven Screw33PANEL-FRONT ALMD34WCI 3201264