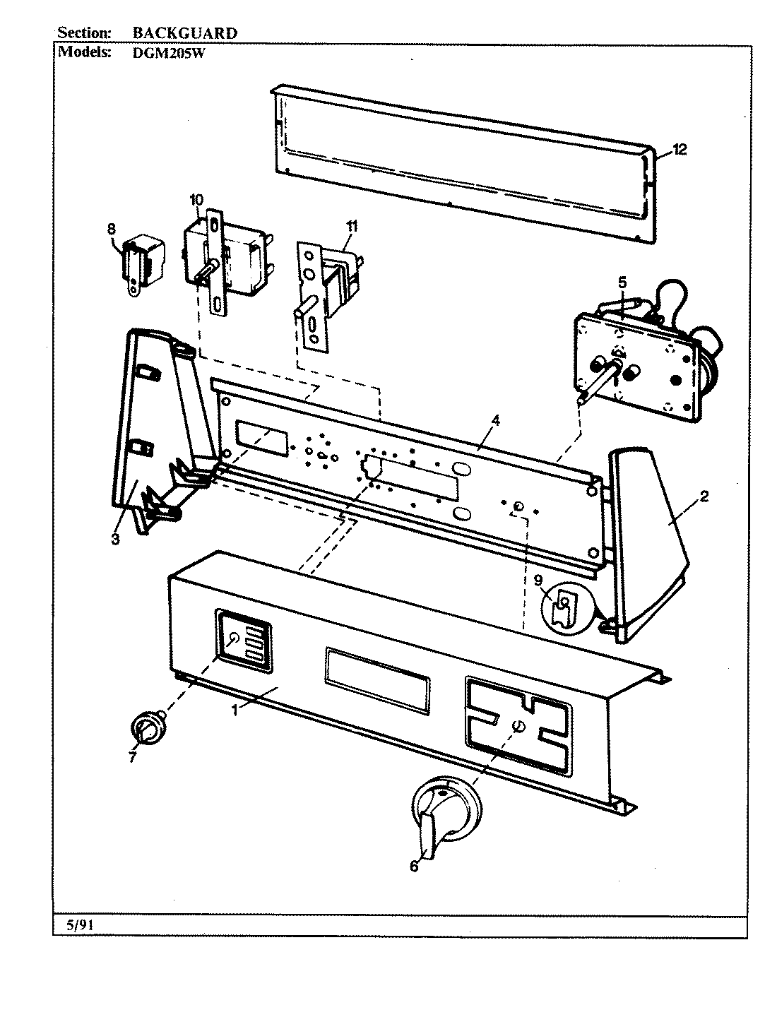
DGM205W 01 – CONTROL PANEL (WHT)admin2025-04-26T09:34:51+00:00DGM205W 01 – CONTROL PANEL (WHT) ProductsPositionProduct1MAY 25-77931MAY 53-18252MAY 35-26683MAY 25-77603MAY 53-02773MAY 53-02783MAY 35-26694MAY 53-16765MAY 53-13035MAY 63-56855MAY 25-02056MAY 53-18287MAY 35-29408MAY 53-16669MAY 25-770210MAY 53-126511MAY 53-034612MAY 53-182912MAY 34-948712MAY 25-785112MAY 25-769712MAY 25-743512WP90767 Whirlpool Screw12MAY 35-268812MAY 25-345712MAY 25-7852