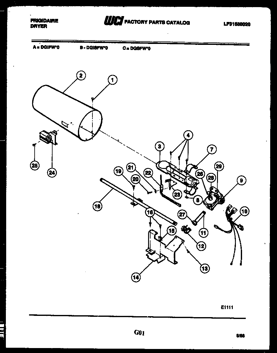
DGSFL0 06 – BURNER, IGNITER AND VALVEadmin2025-04-26T08:54:09+00:00DGSFL0 06 – BURNER, IGNITER AND VALVE ProductsPositionProduct2TUBE ASSY BURNER3134264900 Frigidaire Burner7AIR SHUTTER (2)8NUT (2)9VALVE (1)10HARNESS (1)11UNION MALE CONNECTION (1)12ANGLE VALVE (1)13131243800 Frigidaire Screw14BRACKET (1)16SCREW (4)18WCI 0801527119CLIP20SCREW (1)215300809968 Frigidaire Dishwasher P-1 Washer225303937186 Frigidaire Dryer Flat Igniter Assembly23BRACKET-IGNITOR (1)245303281135 Frigidaire Gas Dryer Flame Sensor Radiant25SCREW (2)26ORIFICE (NATURAL GAS) (1)26AORIFICE (MFD GAS) (1)26BLP GAS KIT (1)27NUT-HEX UNION285303931775 Frigidaire Dryer Coil Kit