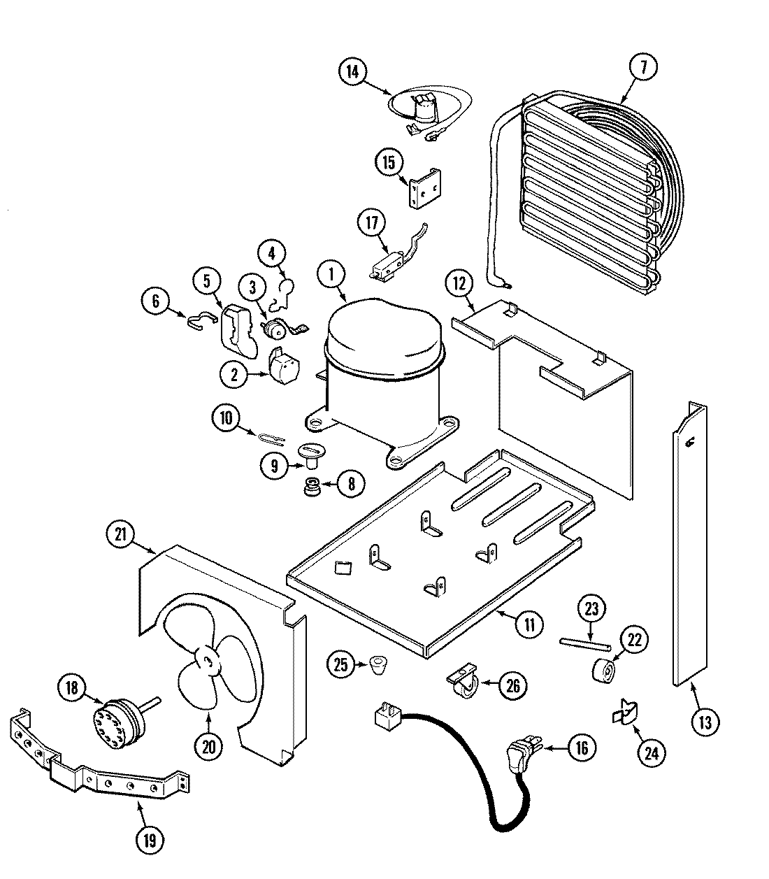
DH25L 02 – SYSTEM & CHASSIS