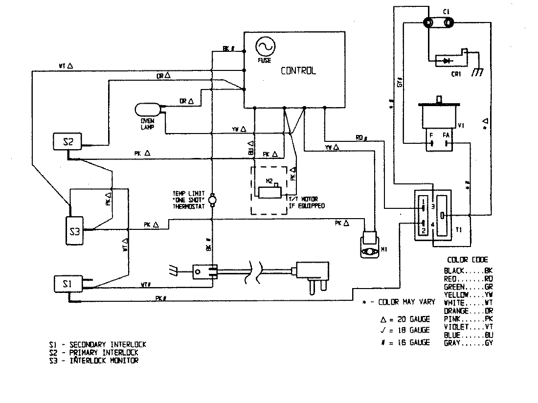
DM130LC 05 – WIRING INFORMATIONadmin2025-04-26T08:56:33+00:00DM130LC 05 – WIRING INFORMATION ProductsPositionProductNIMAY 15001259