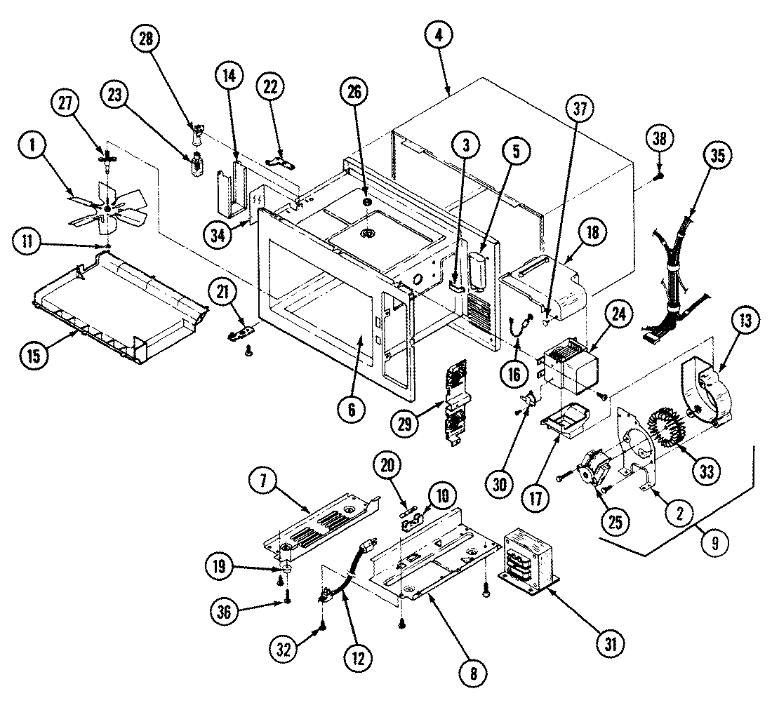
DM15H-14T 01 – BASE & CAVITYadmin2025-04-26T08:56:49+00:00DM15H-14T 01 – BASE & CAVITY ProductsPositionProduct1MAY 040215322MAY Y020301363MAY 020301234MAY 021400685MAY Y010200216MAY 040215577MAY 020900108MAY 020900129MAY 0402109010MAY Y0110003611MAY 0311006612MAY 0230004012MAY 0108005313MAY Y0302008713MAY Y0230003214MAY 0230003414MAY Y0230004915MAY Y0230002916MAY Y0401021917MAY 0217012318MAY 0217013319MAY Y0223000820MAY Y0105000521MAY 0402134322MAY 0402134422MAY Y0301011922MAY Y030200762325T8DC Bulb24MAY 0104000524MAY 0231015725MAY 0111002026MAY 0204009426MAY 0305000727MAY 0236005828MAY Y0110004029MAY 0201005429MAY 0203015229MAY 0402148229MAY Y0302009429MAY Y0114007729MAY Y0114007630MAY 8270P006-6030MAY 8270P003-6030MAY Y0118000830MAY 8270P005-6031MAY Y0113004031MAY 0301009432MAY 0302003033MAY Y0111001734MAY 0222008435MAY 0105000835MAY Y0311007835MAY 0406053935MAY 0406053835MAY 0302004735MAY 0401028136MAY 0302009537MAY 0311006138MAY 0302007738MAY Y0302007938MAY 02240780