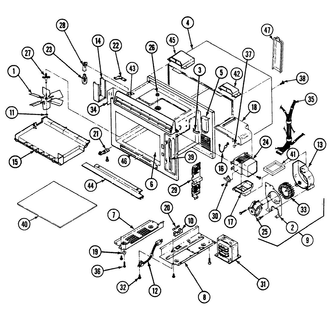
DM15HW-14B 01 – BASE & CAVITYadmin2025-04-26T08:57:01+00:00DM15HW-14B 01 – BASE & CAVITY ProductsPositionProduct1MAY 040215322MAY Y020301363MAY 020301234MAY 021400715MAY Y010200216MAY 040215567MAY 020900168MAY 020900119MAY 0402109011MAY 0311006612MAY 0108006113MAY Y0230003214MAY Y0302007114MAY Y0230004915MAY Y0230002916MAY Y0401021917MAY 0217012318MAY 0217013319MAY Y0223000820MAY Y0105000521MAY 0402134321MAY 0302009822MAY Y0302007622MAY Y0301011922MAY 040213442325T8DC Bulb24MAY 0104000525MAY 0111002026MAY 0305000727MAY 0236005828MAY Y0110004029MAY Y0114007729MAY 0201005429MAY 0203015229MAY Y0114007629MAY 0402148229MAY Y0302009430MAY 8270P003-6030MAY Y0118000830MAY 8270P006-6030MAY 8270P005-6031MAY 0301009431MAY 0113003432NOT REQUIRED PART OR SEE NOTE FUSE (NOT REQUIRED)33MAY Y0111001734MAY 0222008435MAY 0406053835MAY 0105000835MAY Y0311007835MAY 0401028235MAY 0406053935MAY 0302004737MAY 0311006138MAY 0302007738MAY Y0302007939MAY 0204009040MAY Y0228003941MAY 0231015742MAY 0213000443MAY Y0302006843MAY 0210022744MAY 0210022845MAY 0213000345MAY 0302008346MAY 0224078047MAY 0230004047MAY 02040094