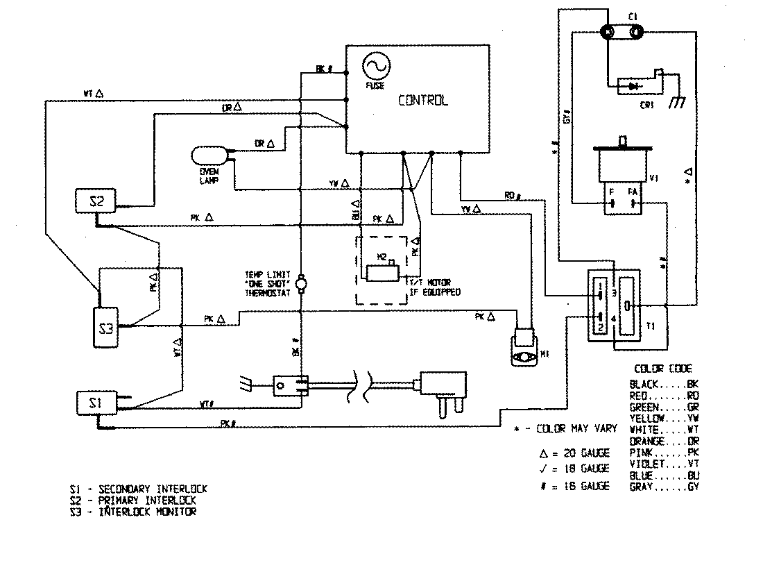
DM15K-15B-N 05 – WIRING INFORMATIONadmin2025-04-26T08:56:32+00:00DM15K-15B-N 05 – WIRING INFORMATION ProductsPositionProductNIMAY 15001259