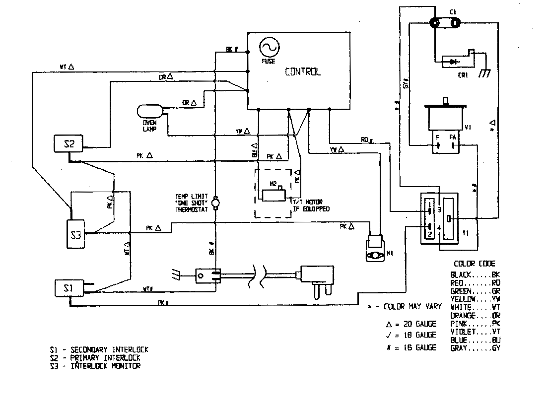
DM15K-15TB 07 – WIRING INFORMATIONadmin2025-04-26T08:56:26+00:00DM15K-15TB 07 – WIRING INFORMATION ProductsPositionProductNIMAY 15001259