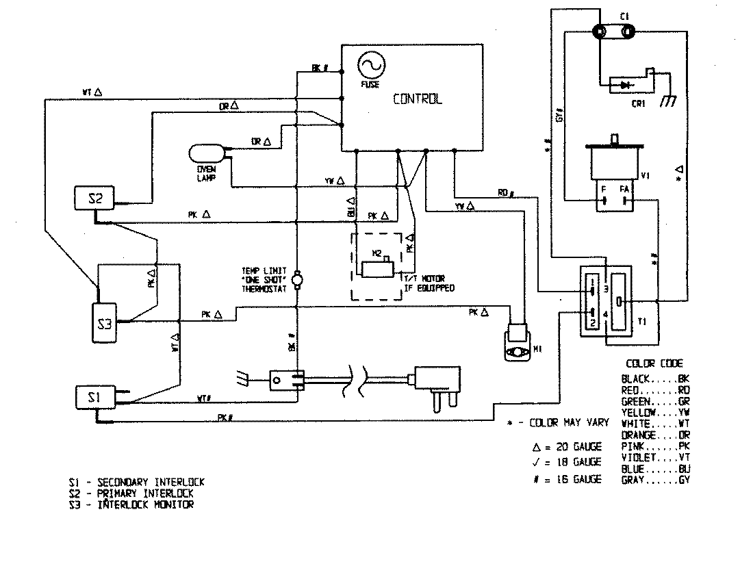
DM15K-7BR 06 – WIRING INFORMATIONadmin2025-04-26T08:56:50+00:00DM15K-7BR 06 – WIRING INFORMATION ProductsPositionProductNIMAY 15001259