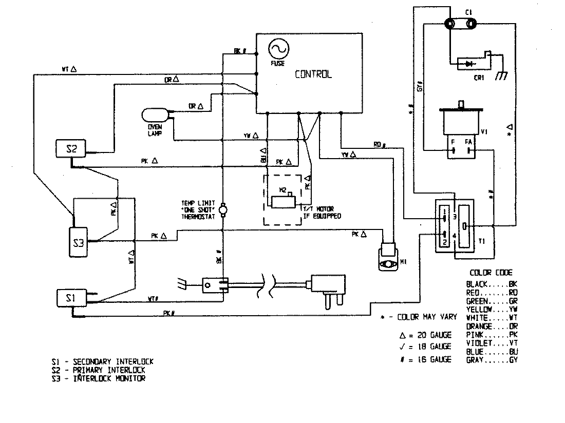
DM15KG-18T 05 – WIRING INFORMATIONadmin2025-04-26T08:56:22+00:00DM15KG-18T 05 – WIRING INFORMATION ProductsPositionProductNIMAY 15001259