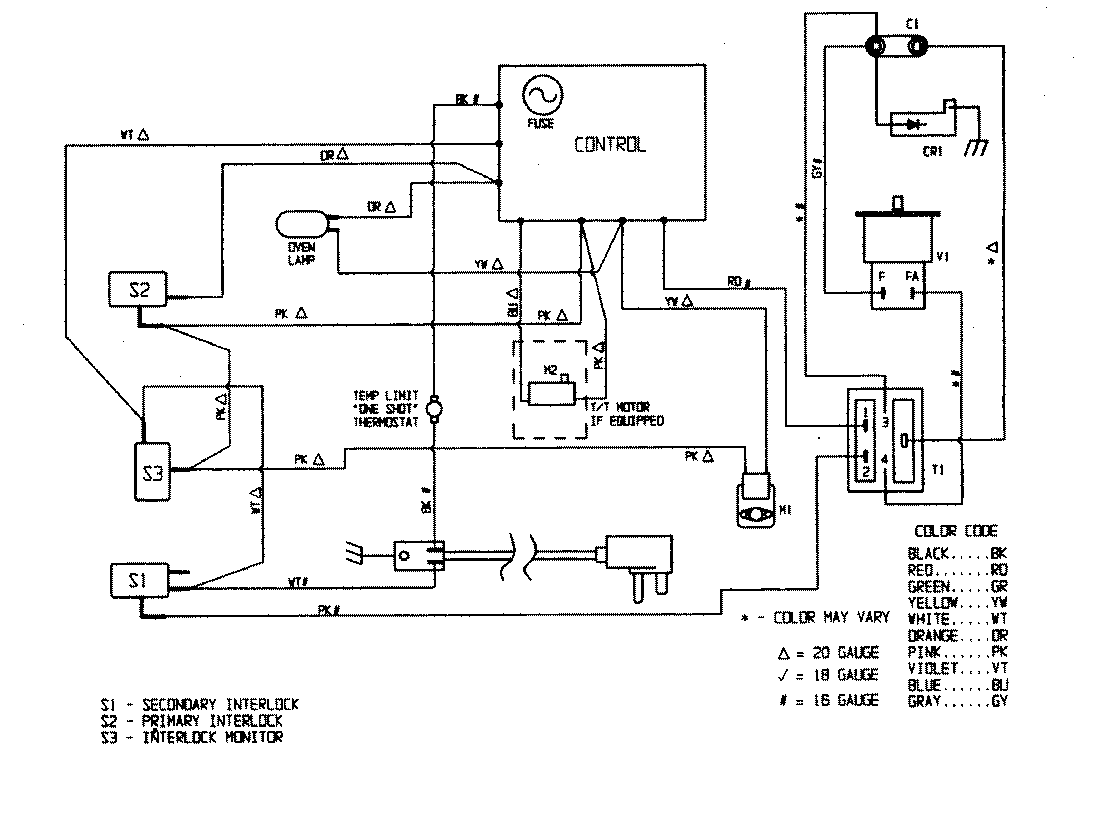
DM15KW-15T 06 – WIRING INFORMATIONadmin2025-04-26T08:56:24+00:00DM15KW-15T 06 – WIRING INFORMATION ProductsPositionProductNIMAY 15001259NIMAY 51001337