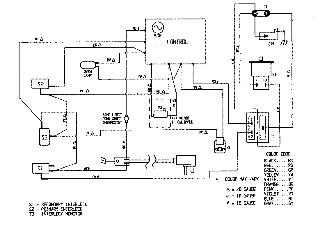
DM15KW-18T 05 – WIRING INFORMATION

DM15KW-18T 05 – WIRING INFORMATION

Products

PositionProduct
NIMAY 15001259