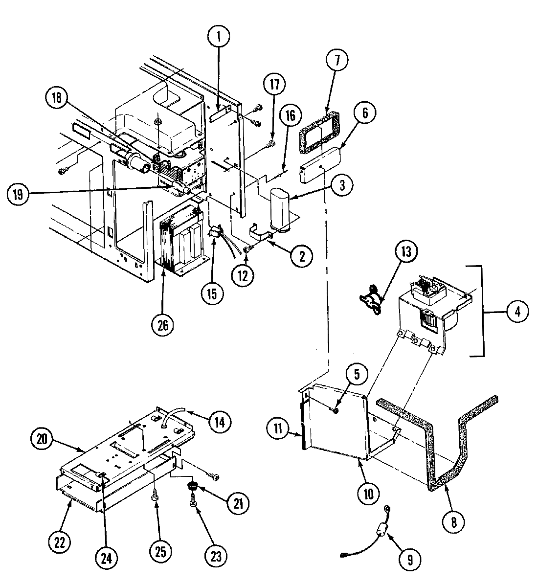
DM46H-14B-R 05 – INTERNAL CONTROLSadmin2025-04-26T08:56:36+00:00DM46H-14B-R 05 – INTERNAL CONTROLS ProductsPositionProduct1MAY 020200202MAY 020301753MAY Y010200234MAY Y011100164MAY 040211914MAY Y020301444MAY Y021701194MAY 011100295MAY Y030200996MAY Y021701127MAY 023101099MAY 0103001310MAY Y0402084211MAY 0514000712MAY Y0302007613MAY 0118001014MAY 0108005515MAY 0110004516MAY Y0306000217MAY Y0301014418MAY 0232001518MAY 010400041925T8DC Bulb20MAY Y0202002820MAY Y0204010120MAY Y0314000821MAY Y0223000822MAY 0230002023MAY Y0302006824MAY Y0311005925MAY 0301009426MAY 0113002827MAY Y0311007827MAY 0105000827MAY 0401028428MAY Y0406053528MAY Y04060532