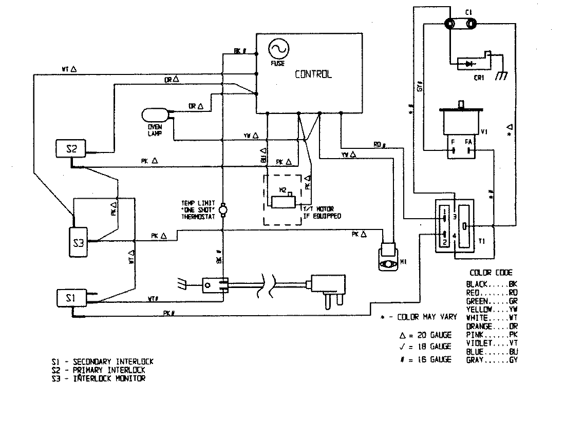
DM46K-15T 06 – WIRING INFORMATIONadmin2025-04-26T08:56:47+00:00DM46K-15T 06 – WIRING INFORMATION ProductsPositionProductNIMAY 15001259