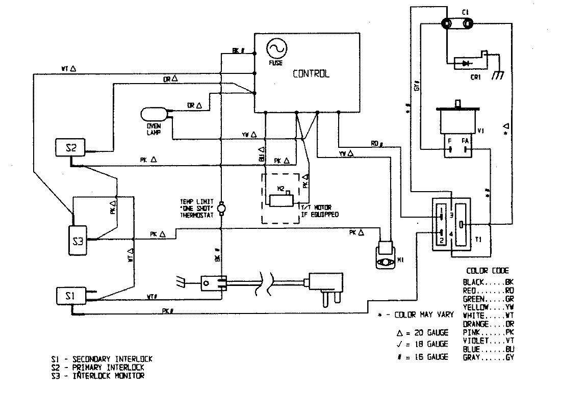
DM46K-15TB 05 – WIRING INFORMATIONadmin2025-04-26T08:56:35+00:00DM46K-15TB 05 – WIRING INFORMATION ProductsPositionProductNIMAY 15001259