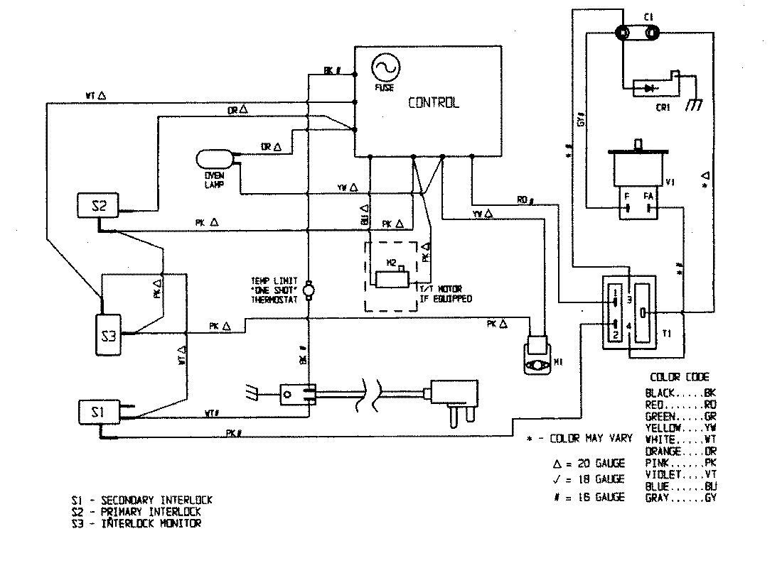
DM46K-16T 06 – WIRING INFORMATIONadmin2025-04-26T08:56:40+00:00DM46K-16T 06 – WIRING INFORMATION ProductsPositionProductNIMAY 15001259