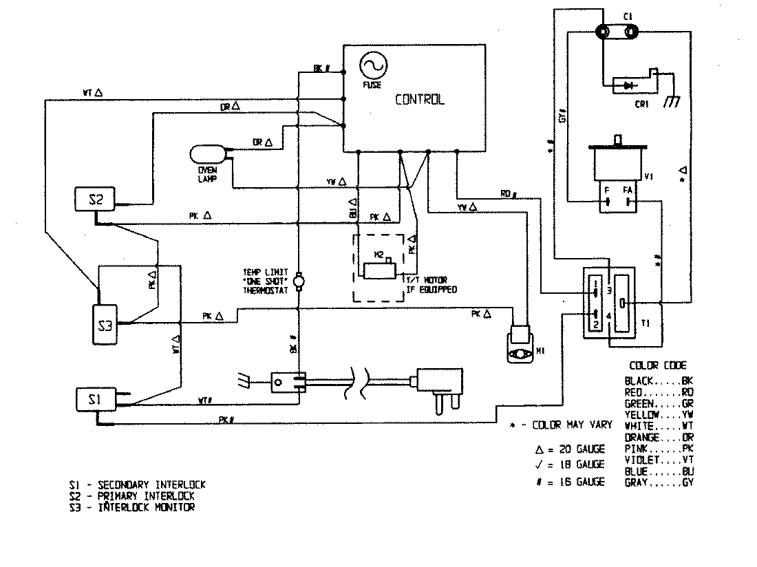
DM46K-17T 06 – WIRING INFORMATIONadmin2025-04-26T08:56:42+00:00DM46K-17T 06 – WIRING INFORMATION ProductsPositionProductNIMAY 15001895NIMAY 15001259