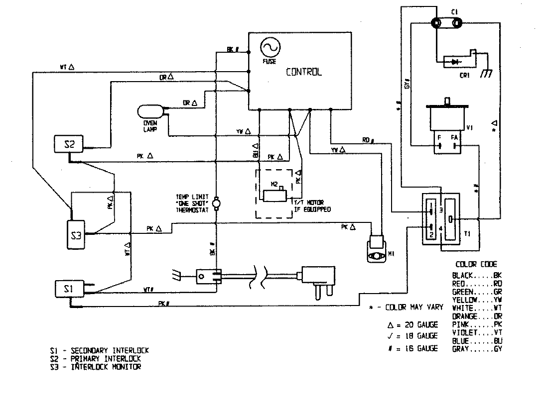
DM85K 06 – WIRING INFORMATIONadmin2025-04-26T08:56:39+00:00DM85K 06 – WIRING INFORMATION ProductsPositionProductNIMAY 15001259