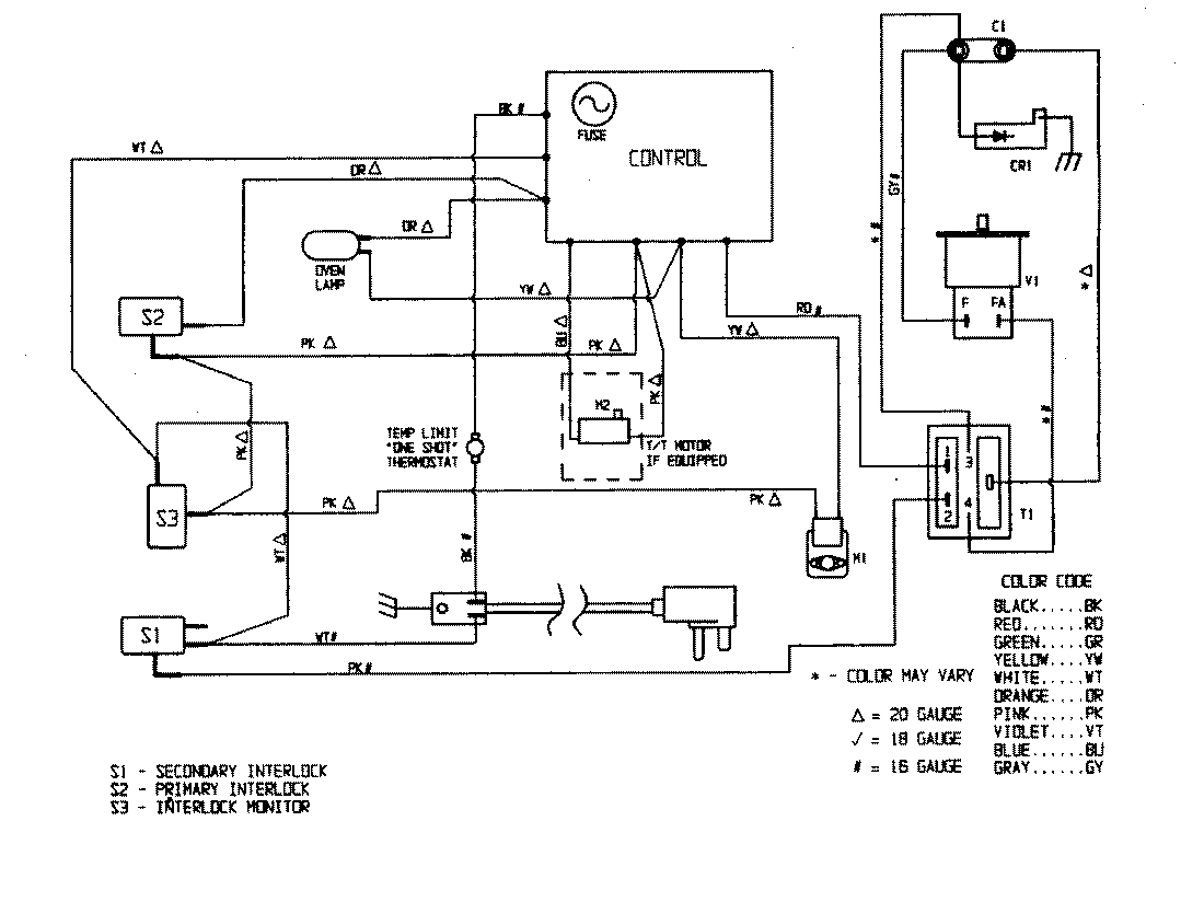
DM85KB-2 06 – WIRING INFORMATIONadmin2025-04-26T08:56:46+00:00DM85KB-2 06 – WIRING INFORMATION ProductsPositionProductNIMAY 15001259