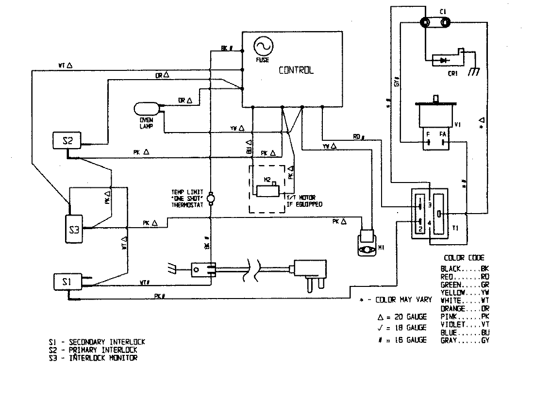
DM85L 06 – WIRING INFORMATIONadmin2025-04-26T08:56:35+00:00DM85L 06 – WIRING INFORMATION ProductsPositionProductNIMAY 15001259