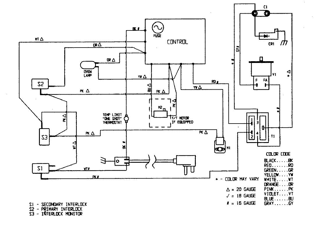
DM85LB 06 – WIRING INFORMATIONadmin2025-04-26T08:56:51+00:00DM85LB 06 – WIRING INFORMATION ProductsPositionProductNIMAY 15001259