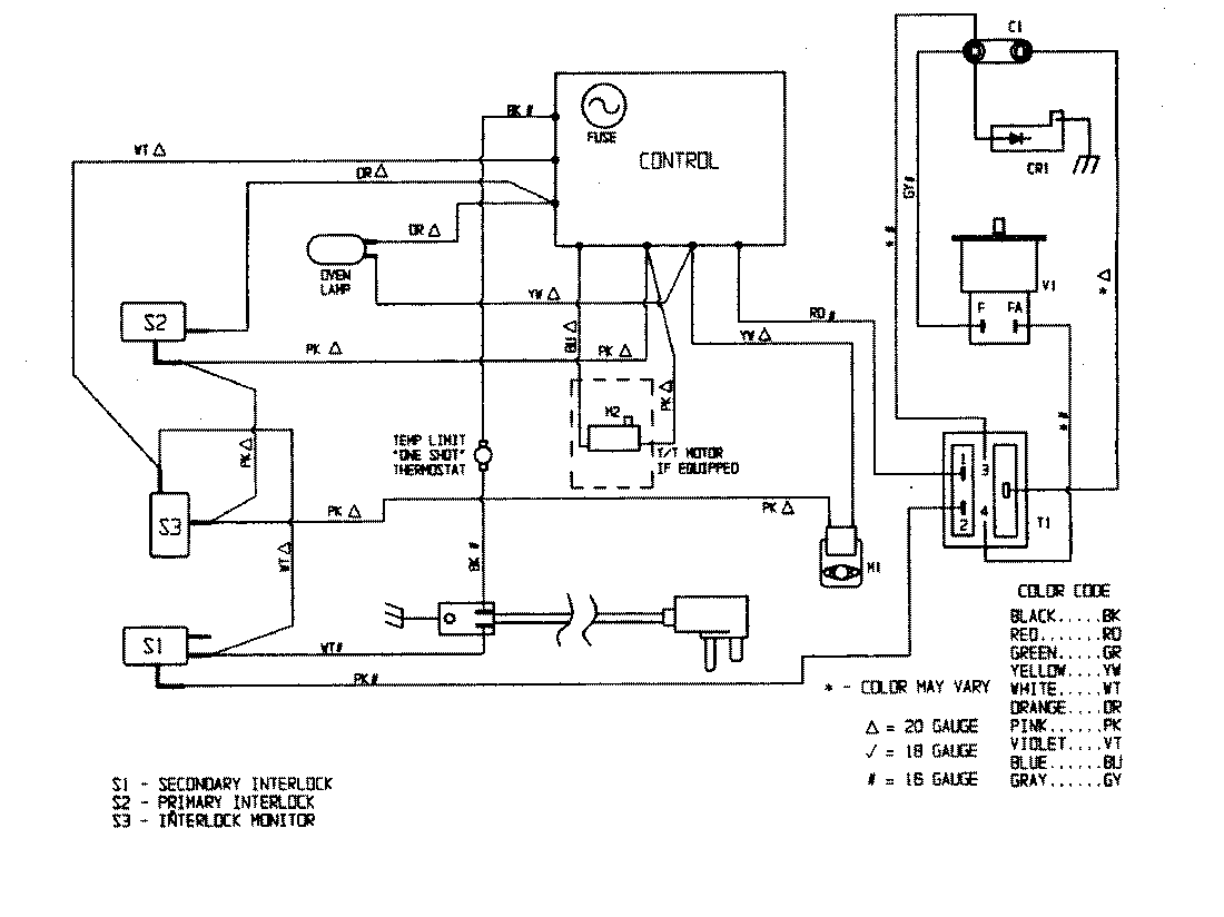
DM86KC 07 – WIRING INFORMATION

DM86KC 07 – WIRING INFORMATION

Products

PositionProduct
NIMAY 15001259