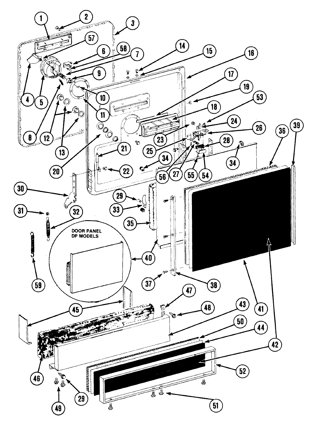
DP450 04 – DOORadmin2025-04-26T09:34:13+00:00DP450 04 – DOOR ProductsPositionProduct1MAY Y7570872MAY 7572563MAY Y7570364MAY 7572575MAY Y7570636MAY Y7572587MAY 7572598MAY Y7572609MAY Y75726110MAY Y75726211MAY Y75726312MAY Y75726413MAY Y75715914MAY Y75701515MAY 75726616MAY Y75704217MAY 75726718MAY Y75708619MAY Y75726820MAY Y75716021MAY 75727022MAY Y75727123MAY Y75727224MAY Y75719125MAY Y75708826MAY 75704327MAY Y75727428MAY 75702729MAY Y75722930MAY Y75727631MAY Y75727732MAY Y75701633MAY Y75727934MAY 75727535MAY 75709640MAY Y75705540MAY Y75705440MAY 75705643MAY 75705243MAY Y75705143MAY 75705345MAY Y75728246MAY 75728347MAY 75728448MAY Y75728549MAY Y75722353MAY 74738954MAY 75739055MAY 75739256MAY Y75731257MAY Y75739558MAY Y75739459MAY Y757380