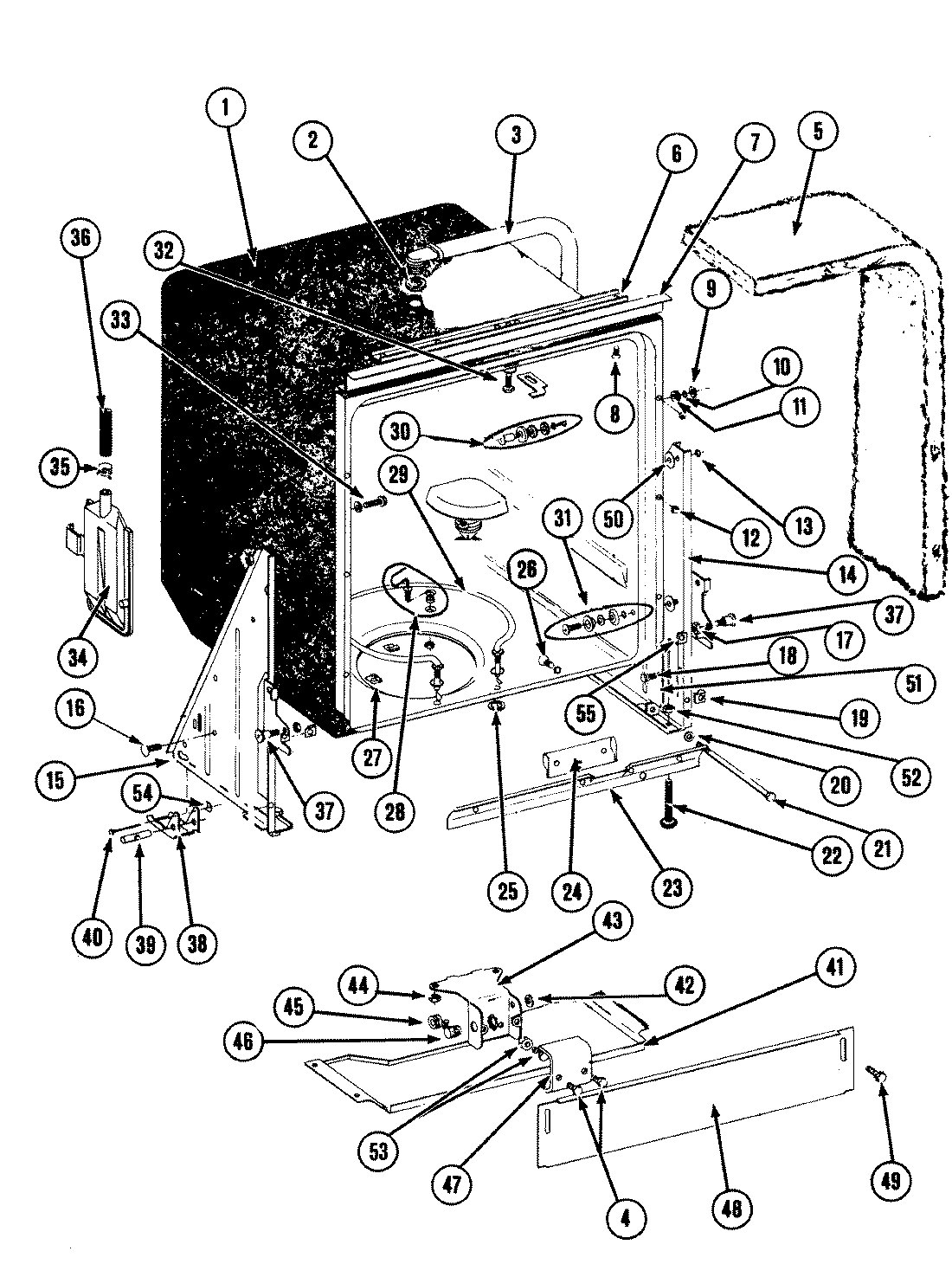
DP450 10 – TUB ASSEMBLYadmin2025-04-26T09:34:23+00:00DP450 10 – TUB ASSEMBLY ProductsPositionProduct1MAY 7570342MAY Y7571593MAY 7570464MAY 7572664MAY Y7573145MAY Y7570976MAY 7573157MAY Y7573168MAY 7573179MAY Y75720311MAY Y75720113MAY Y75731914MAY 75732315MAY 75732416MAY Y75732517MAY Y75732618MAY Y75722919MAY Y75732723MAY 75733124MAY Y75733325MAY Y75733426MAY 75733527MAY 75730828MAY 75733729MAY Y75701030MAY Y75701431MAY Y75733832MAY Y75733933MAY 75734034MAY Y75734135MAY Y75724736MAY Y75707737MAY Y75734341MAY Y75722742MAY 75734943MAY 75735044MAY 75735145MAY 75735247MAY Y75735448MAY Y75707549MAY Y75722350MAY 75739753MAY Y75740154MAY Y75739655MAY Y757398