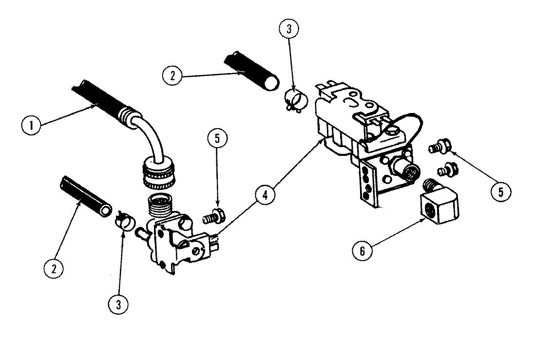
DP450 11 – WATER VALVEadmin2025-04-26T09:32:07+00:00DP450 11 – WATER VALVE ProductsPositionProduct1MAY 7570122MAY Y7570773MAY Y7572474MAY Y7570335MAY 757248