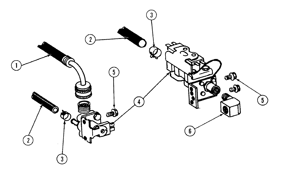
DP450-C 11 – WATER VALVEadmin2025-04-26T09:33:26+00:00DP450-C 11 – WATER VALVE ProductsPositionProduct1MAY 7570122MAY Y7570773MAY Y7572474MAY Y7570335MAY 757248