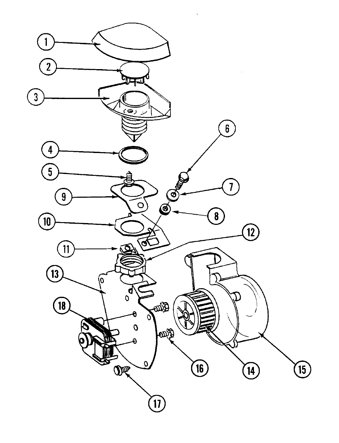
DP470 01 – BLOWER ASSEMBLY