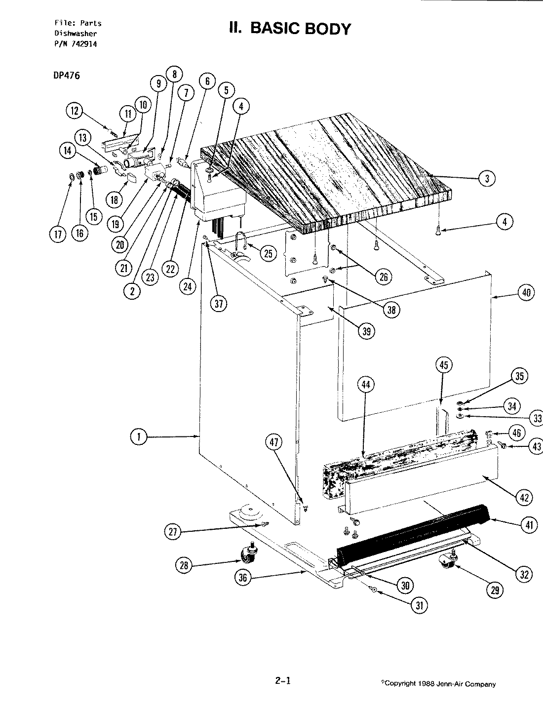
DP476 01 – BODY (DP476)admin2025-04-26T09:31:40+00:00DP476 01 – BODY (DP476) ProductsPositionProduct1MAY 7570221MAY 7570201MAY 7570212MAY Y7573883MAY Y7570074MAY Y7572045MAY Y7572056MAY 7574326MAY Y7570187MAY Y7572068MAY Y7572079MAY Y75700310MAY 75721111MAY Y75720912MAY Y75720813MAY 75721214MAY Y75700415MAY Y75721016MAY Y75721317MAY Y75721518MAY Y75721419MAY Y75721620MAY Y75721720MAY Y75737021MAY Y75721822MAY Y75707423MAY 75701224MAY 75721925MAY 75722026MAY 75722127MAY Y75722228MAY Y75700229MAY Y75700530MAY Y75717231MAY Y75722332SUPPORT33MAY Y75722434MAY 75722535MAY Y75722636MAY Y75722737MAY Y75722838MAY Y75723138MAY Y75723038MAY Y75722939MAY 75723240MAY Y75705440MAY 75705640MAY Y75705541MAY Y75707542MAY 75705342MAY 75705242MAY Y75705143MAY Y75728544MAY 75728345MAY Y75728246MAY 75728447MAY Y757528