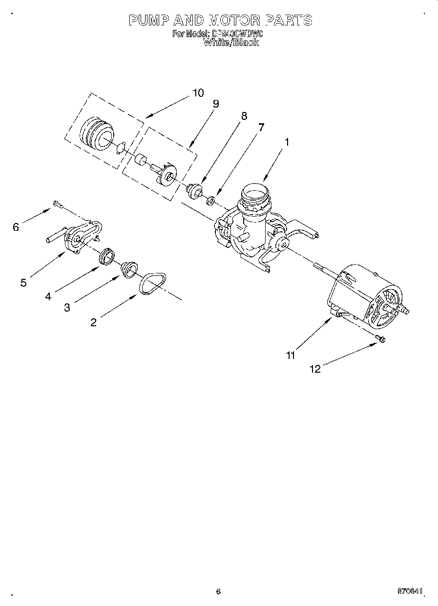
DP840CWDW0 05 – PUMP AND MOTOR