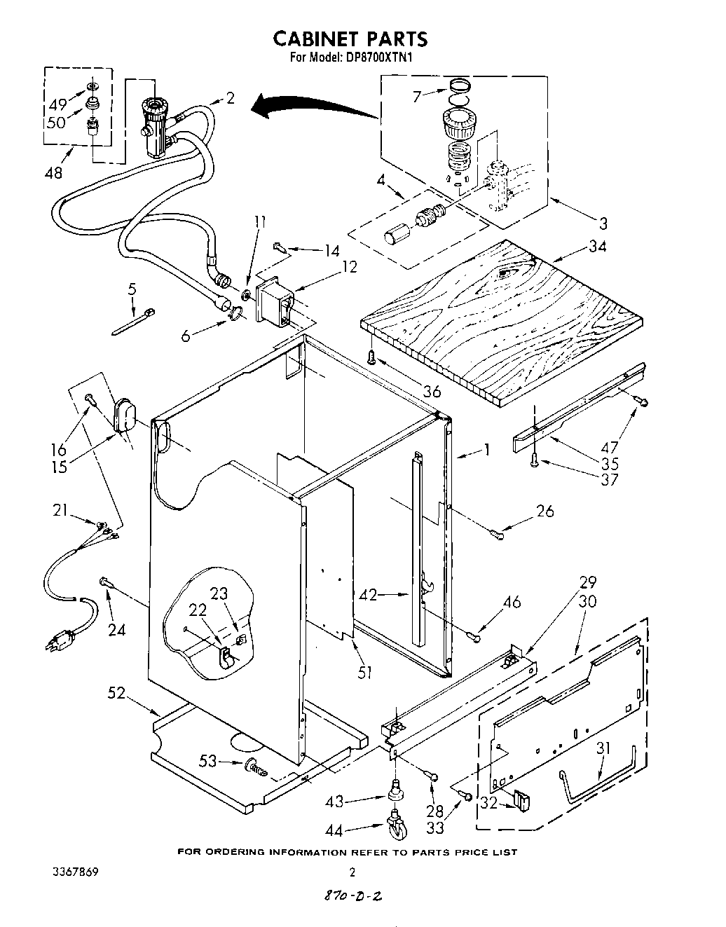
| 1 | Screw, 8-18 x 5/8 |
| 1 | Shell Assembly (Almond) |
| 2 | Coupler Assembly |
| 3 | WP285170 Whirlpool Collar |
| 4 | Valve, Pressure Relief |
| 5 | WPW10144763 Whirlpool Tie Wire |
| 6 | Clamp, Hose |
| 7 | Seal |
| 11 | WP16123 Whirlpool Washer |
| 12 | Housing, Hose |
| 15 | Housing, Cord |
| 21 | Cord, Power |
| 22 | Clamp, Strain Relief |
| 23 | Nut, J-Type |
| 28 | WP90767 Whirlpool Screw |
| 29 | Toeplate Assembly (Includes Illus. 43) |
| 30 | Plate, Cover |
| 31 | Bar, Torsion (L.H.) |
| 31 | Bar, Torsion (R.H.) |
| 32 | Bumper, Rubber |
| 33 | WP302868 Whirlpool Screw |
| 34 | Panel, Top |
| 35 | Trim, Front |
| 36 | SCREW |
| 37 | WP488787 Whirlpool Refrigerator Screw |
| 42 | Leg Assembly, L.H. |
| 42 | leg assembly, r.h. |
| 43 | Socket, Caster (Alternate) |
| 43 | Socket, Caster (Alternate) |
| 44 | WP3370639 Whirlpool Caster |
| 47 | screw, 8-18 x 5/8 (2) |
| 48 | WPW10254672 Whirlpool Faucet Adapter |
| 49 | Washer |
| 50 | Bushing |
| 51 | Barrier, Hose |
| 52 | Sound Shield, Quiet Pack |
| 53 | Retainer |