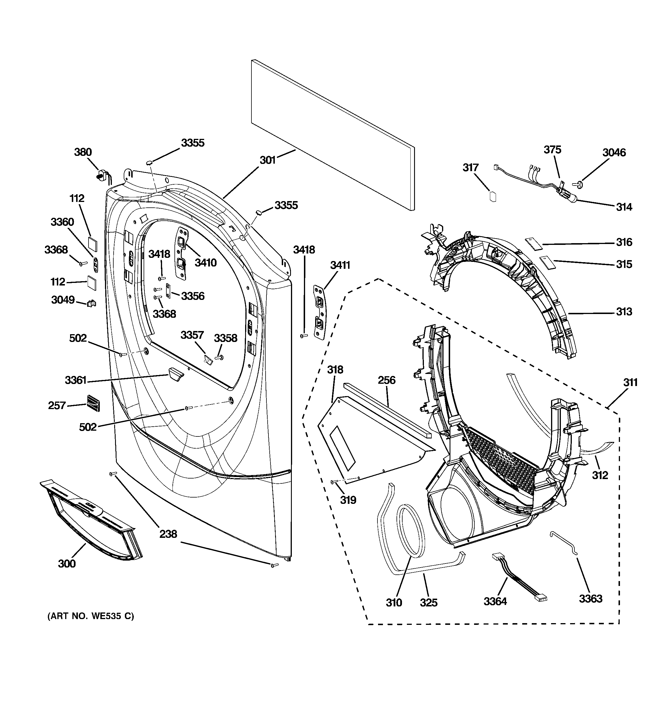
DPVH880GJ0MV FRONT PANEL