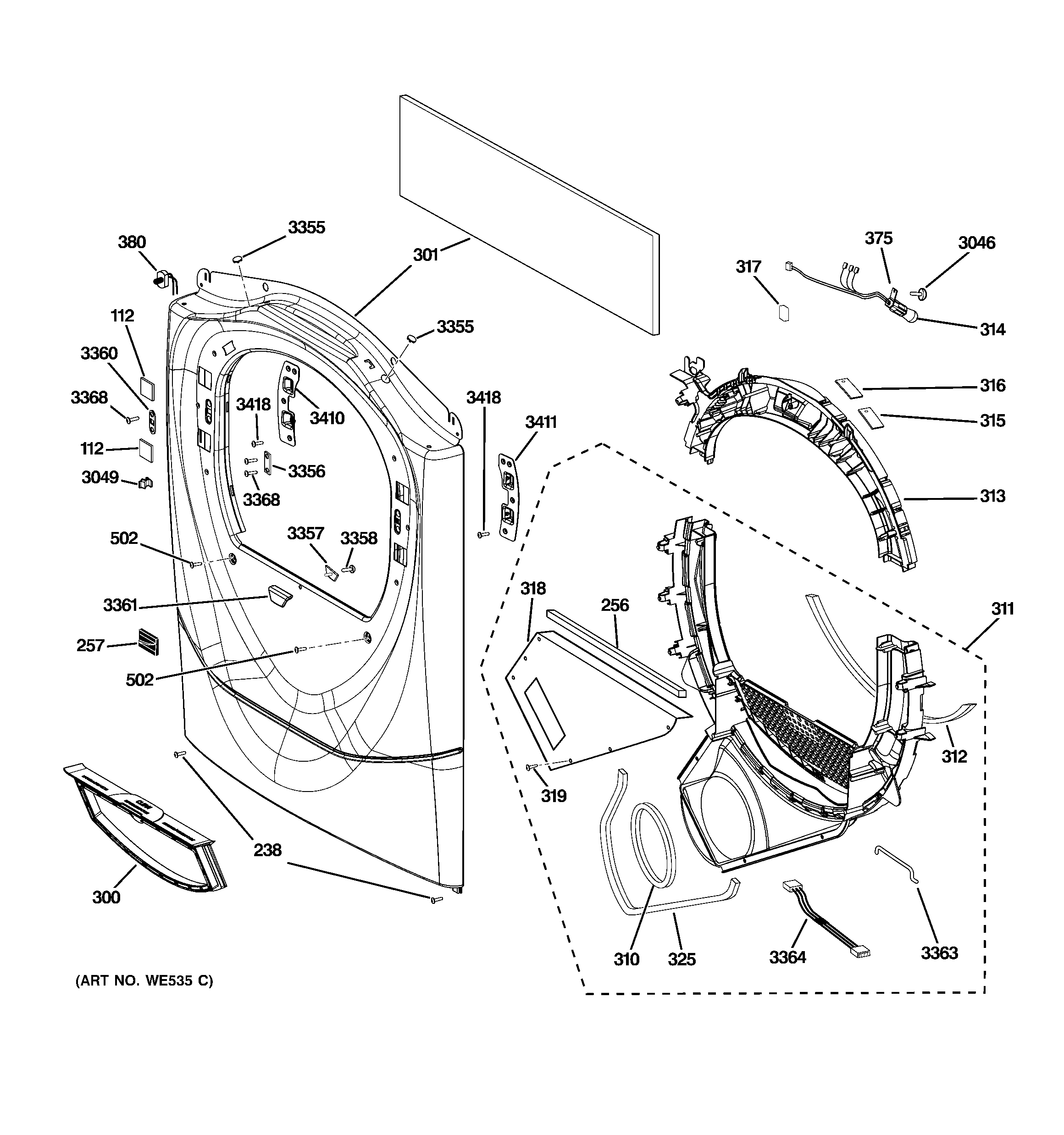
DPVH880GJ0WW FRONT PANEL