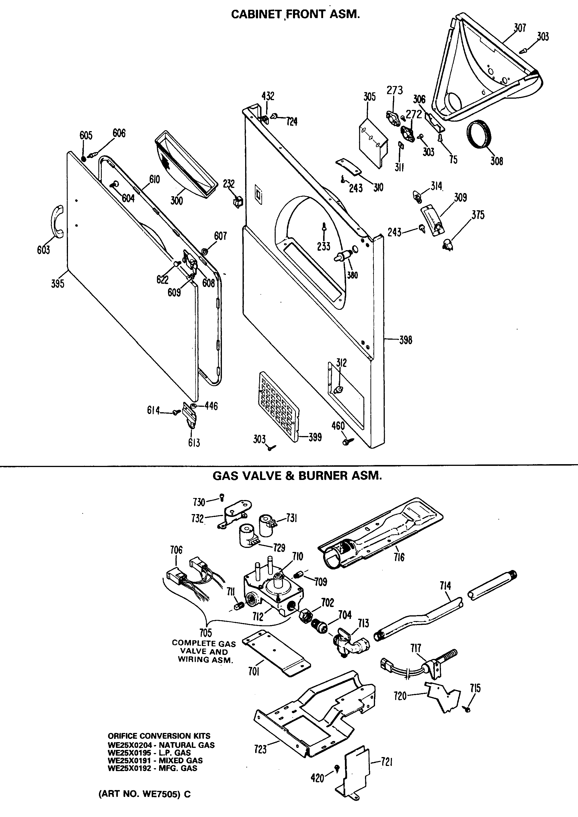
DRL2455MCL CABINET FRONT ASM.admin2025-04-26T08:37:13+00:00DRL2455MCL CABINET FRONT ASM. ProductsPositionProduct75WH2X930 GE Screw232WE1M1011 GE Washer Dryer Door Latch233GEN WZ04X0236243GEN WZ05X0155272GEN WE04X0607273GEN WE04X0608300FILTER ASM LINT303GEN WE02X0270305GEN WE01X0944306GEN WE01X0409307GEN WE14X0144308WE9X38 GE Dryer Felt Seal Assembly310GEN WE01X0446311GEN WE02X0192312GEN WE02X0191380GEN WE04X0197395DOOR ASM AD395DOOR ASM WH398CABINET FRONT ASM WH398CABINET FRONT ASM AD399GEN WE10X0256399GEN WE10X0205420GEN WH02X0893432GEN WL02X0071446GEN WE02X0279460GEN WZ04X0264603GEN WE01X0257604GEN WE02X0227605GEN WZ10X0016606GEN WE01X1042607NUT SHEET METAL K608GEN WE01X0345609GEN WE01X0404610GEN WE09X0028613GEN WE01X0344614GEN WZ04X0257622GEN WE02X0177701GEN WE13X0166702GEN WE02X0319704GEN WE02X0320705WE14X215 GE Gas Valve709WE1X1148 GE Main Orifice710WE1X1076 GE Leak Limiter711GEN 1/8-27 NPT713GEN WE01X1078714PIPE LUG ASM715GEN WD02X5063716WE14M104 GE Burner Assembly717WE04X25996 GE Washer Igniter720GEN WE13X0183721GEN WE13X0118723BRACKET VALVE724SCREW 10-16 X 1/2" HEX729WE4X692 GE Gas Valve Solenoid730WR01X10317 GE Refrigerator Screw 8-32 CA Hex Washer 1/2731WE4X693 GE Main Coil732GEN WE13X0169