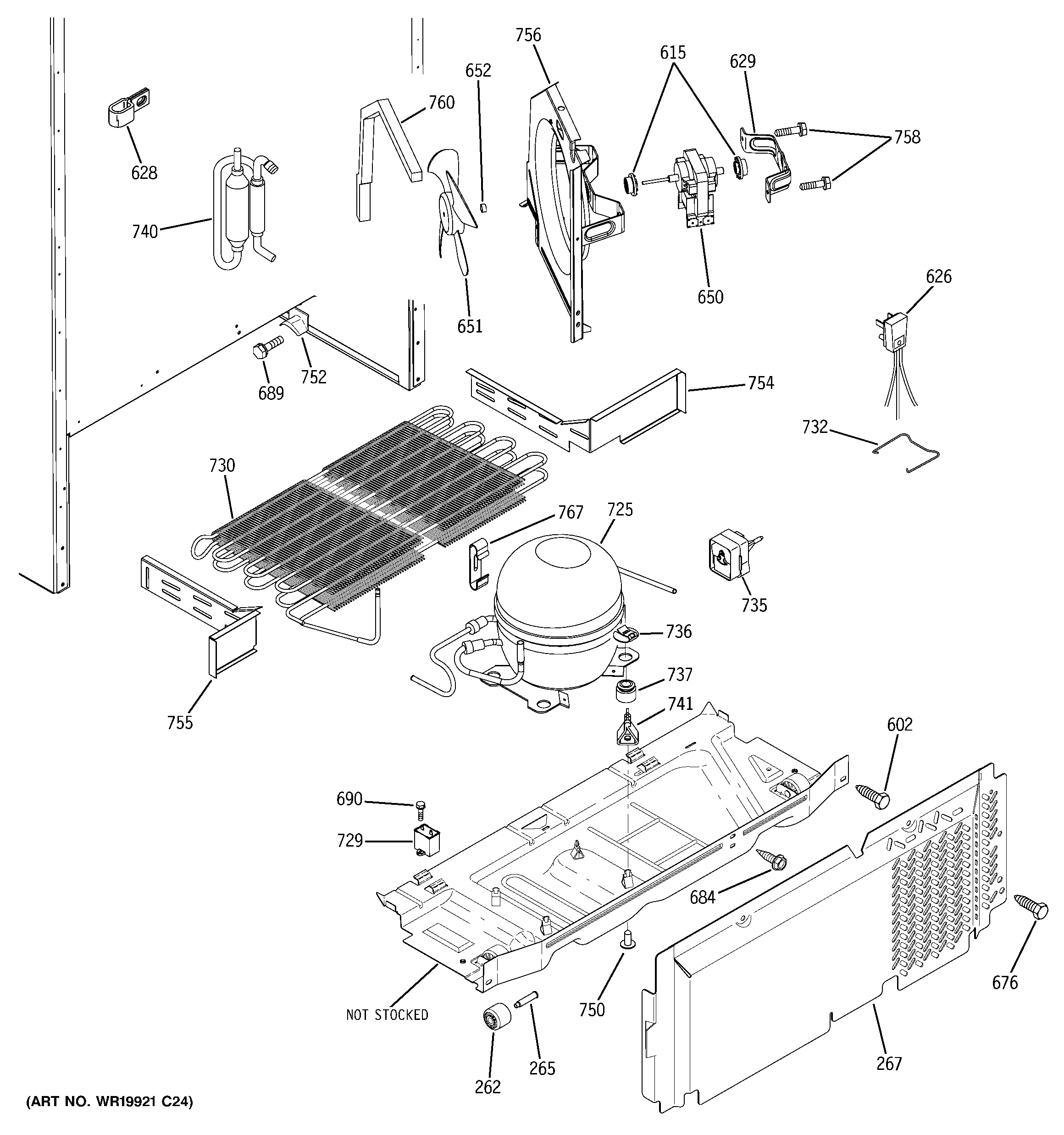
DTH18ZBXDRWW UNIT PARTS