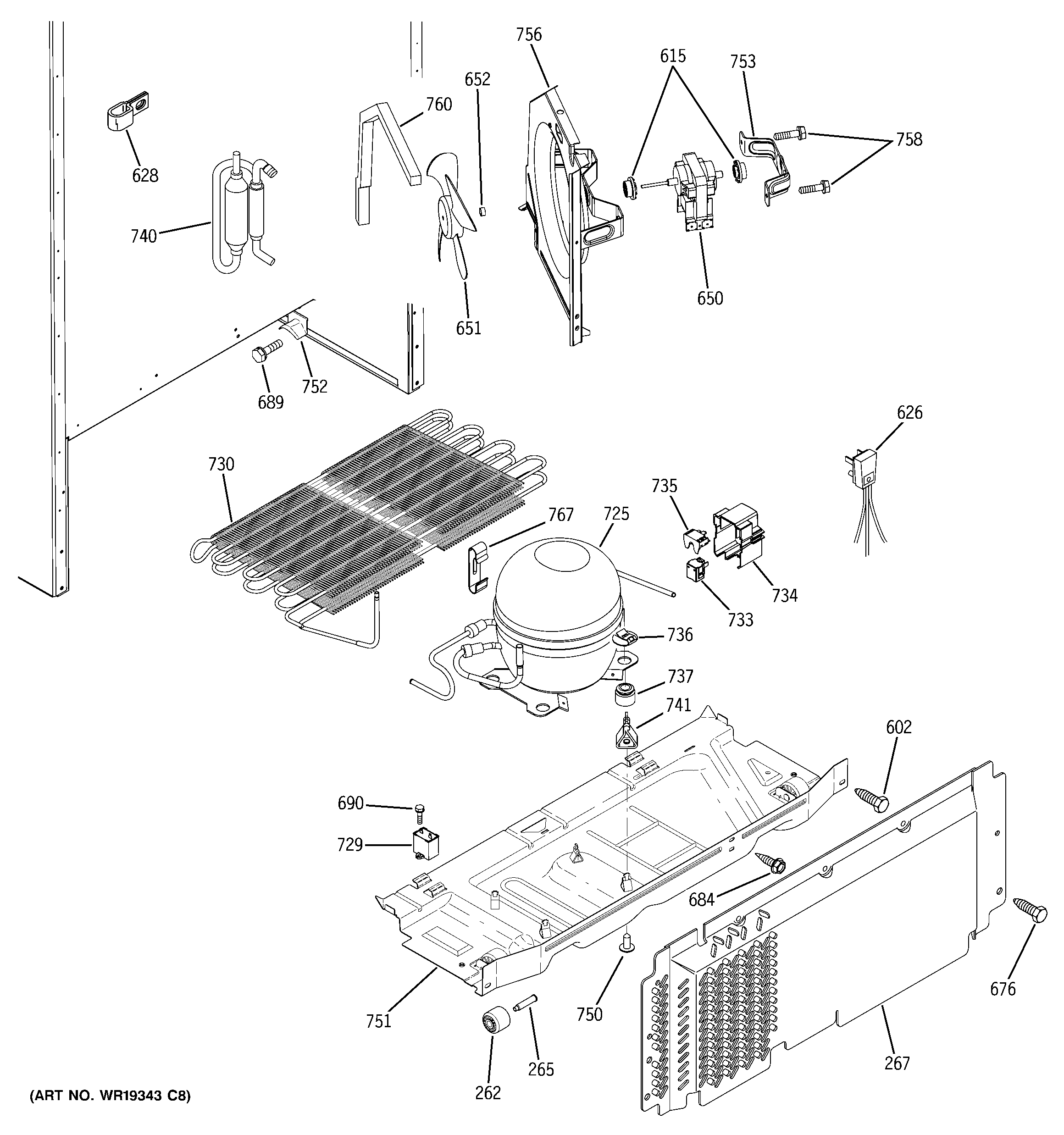
DTL18ICSARBS UNIT PARTS