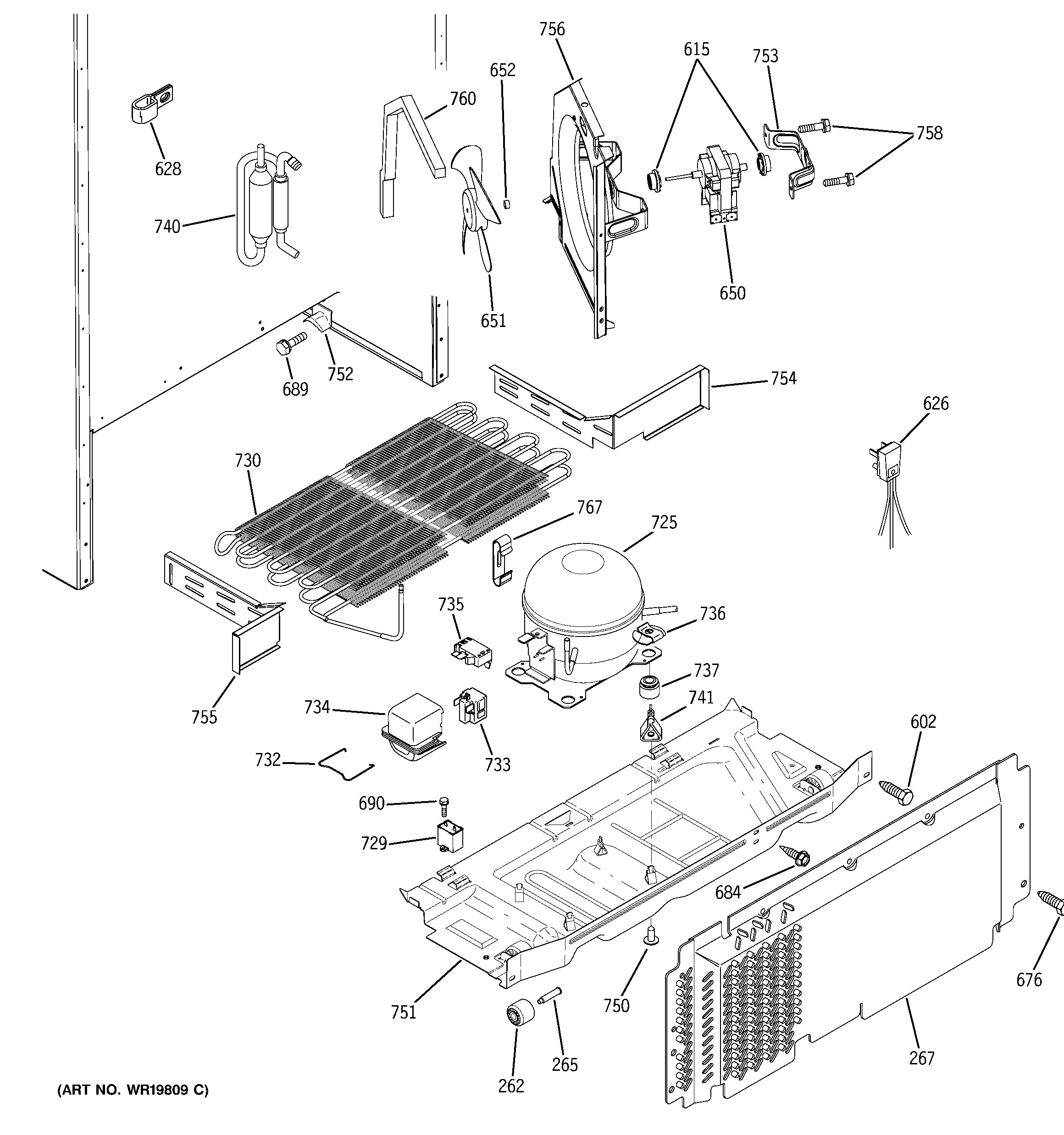
DTL18ICSMRBS UNIT PARTS