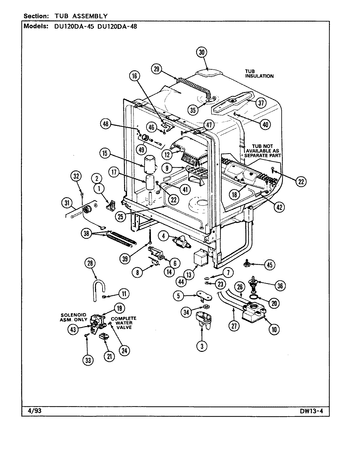
DU120DA-48 05 – TUB ASSEMBLYadmin2025-04-26T09:35:55+00:00DU120DA-48 05 – TUB ASSEMBLY ProductsPositionProduct1MAY 2045-00062MAY 2045-00053MAY 030001814MAY 030000545MAY 030001806MAY 2145-00267MAY 3280-00098MAY 3135-00059MAY Y0300021310MAY Y0300005511MAY 2235-000412MAY Y0300021213MAY 0300021413MAY 0300021514MAY 2275-002015MAY 2275-000916MAY 2645-000517MAY 2410-000218MAY Y0300022119MAY 3255-000920MAY 2450-001421MAY 0300018622MAY 3005-011523MAY 2480-000324MAY 3005-007625MAY 2350-000226MAY Y0300008427MAY 2530-001028MAY 2530-000429MAY 2530-001430MAY 0300019031MAY 2955-001032MAY Y0300010833MAY 3005-004634MAY 2735-000935MAY 3120-000236MAY Y0300022237MAY 2020-000338MAY 3070-000638MAY 3070-001639MAY 3085-000140MAY 3005-003041MAY 0300007842MAY 0300007943MAY 2250-000244MAY 3005-000745MAY 2650-000246MAY 0300000147MAY 3005-003448MAY 3280-000349MAY 2955-0009