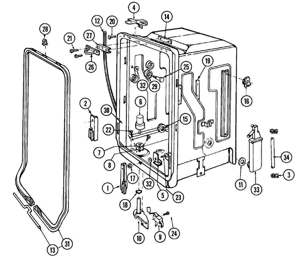
DU18J4C 06 – TUB (DU18J4C)admin2025-04-26T09:35:34+00:00DU18J4C 06 – TUB (DU18J4C) ProductsPositionProduct1RH GUIDE2LH GUIDE3MAY 8078134CLIP5MAY 8081156MAY Y031000477PLATE, FLOAT TUBE8GASKET9MAY 80986310MAY 80985911MAY 0310005012DRAIN HOSE13MAY 0310004914TAPPING PLATE15MAY 80566916MAY 80629117MAY 80334618O RING19TAPPING PLATE20SCREW21MAY 80689022MAY 0310004823MAY 80331924MAY 80986425MAY 0310004626STRIKE27SHIM28CLIP KIT (TUB GASKET)29MAY Y0310004530MAY 80971631MAY 80963331SEALANT32MAY 80904433MAY 80647034INLET TUBE34MAY 03100060